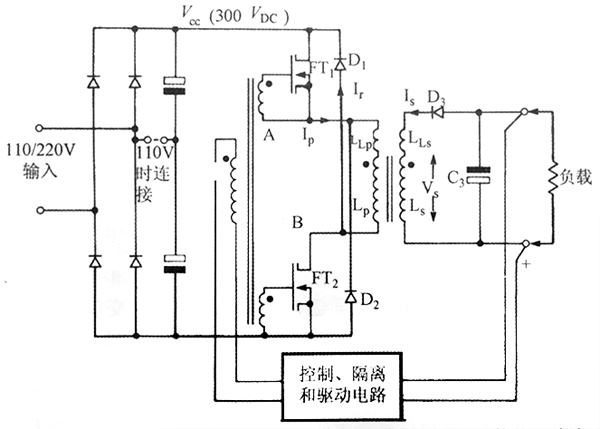
對角半橋正激變換器 |
對角半橋正激變換器,別名雙晶體管正激變換器,它的原邊功率開關的接法類似于在反激變換器中的接法。圖表示了該功率系統的一般電路。 這種結構特別適合于場效應晶體管(MOSFET)的工作,因為能量恢復二極管D1和D2在開關元件上對充電器開關元件提供了強烈的鉗位作用,防止了反激作用時任何的過電壓。功率開關管兩端的電壓將不會超過充電器電壓加兩個二極管管壓降,因此電壓應力僅為單端變換器中單個晶體管所受應力的一半。 該例中已給出兩種輸入充電器電壓規格供選擇,通過撥動連桿LK1,用戶可選擇110V或220V作為輸入電壓。 110V工作時使用倍壓,因此無論是110V還是220V工作時,直流電壓V都接近于300V。高充電器無負載時的較大電壓將接近于380V,因此為保險起見,可以選擇額定電壓為400V的功率MOSFET(有些MOSFET高溫工作時電壓額定值下降,這一點應該考慮)。
手機充電器工作原理 MOSFET1和MOSFET2(功率開關管)同時導通和關斷。當元件導通時,原邊充電器電壓Vcc加在變壓器原邊兩端,所有繞組的起始端為正。 在穩態條件下,輸出扼流圈L1中在上一個工作周期已經建立了電流,該電流由于扼流圈L、電容器C1和負載的續流作用,經續流二極管D4形成回路。 副邊emf建立(通過導通功率MOSFET)時,流過變壓器副邊和整流二極管D2的電流迅速建立,它僅受變壓器漏感和副邊電路的限制。由于在短暫的導通瞬間扼流圈電流l必須維持幾乎不變,因此隨著D2中電流的增加,流過續流二極管D4的電流必須相應減小。當D3中的正向電流增加到原來在D4中流過的電流值時,D將關斷,L輸入端(A點)的電壓將增加到副邊電壓V,,正激能量轉換狀態已經建立前面所述的動作只占整個傳遞期間的很小一部分,這取決于漏感的大小。典型情況下該電流在1us內建立對于非常大的電流、低電壓輸出,漏感引起的滯后可能比整個導通期間更長(特別是高頻情況下)。這會限制傳送的功率。因此漏感總是應盡可能地小在正常條件下,在導通期間的大部分時間里副邊電壓將加在輸出Lc濾波器上,L兩端的電壓為(VV=)。因此,導通期間電感器中的電流將以由該電壓和L電感值所決定的速率增加,表達式如下:
在此Ll1是L1的電感值。 根據變壓器作用原理,該副邊電流會轉換到原邊繞組,所以Ip=Is/n,在此n是變壓比。除了該折算的副邊電流外,原邊還流過由原邊電感Lp決定的磁化電流。磁化電流將能量儲存在變壓器磁場中,該儲存的能量在關斷瞬間產生反激作用。
當MOSFET1和MOSFET2關斷時,反激作用使所有繞組的電壓反向,但由于二極管D和D2的鉗位作用,反激電壓被限制在充電器電壓。在關斷期間,儲存在磁場中的能量返回充電器。
由于數碼相機電源適配器現在的反激電壓幾乎等于原來的正激電壓,恢復儲存的能量所需的時間將等于前個的導通時間。因此對于這種電路,變壓器可能出現階梯形飽和,故占空比不能超過50%。 在關斷瞬間,副邊電壓反向,整流二極管D2被關斷。輸出扼流圈L,電流將保持不變,續流二極管D4因此導通。在L的強迫作用下,電流將在回路L、C、D中流動,A點因一個二極管的壓降而變負。L1兩端的電壓等于輸出電壓(加一個管壓降),但方向與原來導通狀態時電壓方向相反。L中的電流減小到較初的開始值,一個周期結束。 應該強調,漏感在該系統的工作中起了非常重要的作用。漏感值太大會導致功率不能有效地傳遞,因為大部分的原邊電流在關斷期間回送到充電器。這在開關元件和能量恢復二極管中引起無用的功率損耗。 二極管D4的反向恢復時間特別重要,由于在導通瞬間電流從D2流進輸出電感器,并流向D4的陰極,此時正是D4的反向恢復期間。這在導通瞬間會引起原邊開關管電流超調。 為了強調變壓器漏感的重要性和對快恢復二極管的需要,對該變換器工作情況的一些細節作了描述。這些影響在能夠充分利用功率MOSFET優點的高頻工作時變得尤其重要。 應該記住,漏感并不僅僅包含在變壓器本身,它還包含在所有外部電路中。應通過使用短、粗導線并在可能的地方繞制或按緊密耦合雙膠線繞制使電感較小;以此維持回路電流。 能量恢復二極管D1和D2應該是快速、高壓類型的,低ESR的電容器應放置在充電器兩端并盡可能靠近開關元件。輸出電容器C1的ESR和ESL對變換器的功能來說并不是非常重要,這是因為電感器L已將該電容器與功率開關隔開。 C1的主要功能是減少輸出紋波電壓和儲存一定的能量。通常使用附加的LC濾波器減小噪聲要更經濟,因此在該位置應避免使用昂貴的低ESR的電子電容器。半橋變換器的變壓器設計見。
文章轉載自網絡,如有侵權,請聯系刪除。 |
| | 發布時間:2018.10.06 來源:充電器廠家 |
| 上一個:電源適配器發熱怎么辦?是什么原因? | 下一個:對角半橋正激變換器變壓器設計 |
東莞市玖琪實業有限公司專業生產:電源適配器、充電器、LED驅動電源、車載充電器、開關電源等....