TNY256的典型應用與設計要點 |
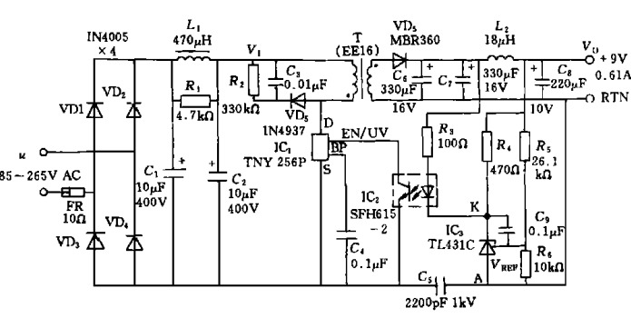
| 典型應用 由TNY256構成的9V、5.5WAC/DC電源適配器電路如圖3所示。該電源適配器電路共使用三片集成電路:IC1(TNY256P)、光耦合器IC2(SFH615—2)、可調式精密并聯穩壓器IC3(TL431C)。FR為熔斷電阻器。85~265V交流電經過整流濾波后,得到直流高壓VI。由電感L1、阻尼電阻R1和濾波電容C1、C2構成高頻干擾濾波器。漏極鉗位保護電路由R2、C3和VD5組成。高頻變壓器選用EE16型鐵氧體磁芯。二次電壓通過VD6、C6、C7、L2和C8整流濾波后,獲得+9V、0.61A的輸出。VD6采用MBR360型3A/70V的肖特基二極管。 電源適配器輸出電壓VO由R5、R6設定。取R5=26.1kΨ、R6=10kΨ時不難算出,VO=9.0V。R4可為TL431C提供偏置電流。當VO因某種原因而發生變化時,TL431C就自動調整K點電位,通過光耦去改變EN/UV端的電流,進而調節占空比,使VO趨于穩定,達到穩壓目的。C4為旁路電容,C5是安全電容。 實測該開關電源適配器的效率達82%,電源適配器較大輸出電流IO=1A。其穩壓特性曲線如圖4所示。由圖可見,在正常使用范圍內其電壓調整率(SV)和負載調整率(SI)均低于±0.2%,可以同線性穩壓器相媲美,而電源效率提高近一倍。 ![]() 設計要點 使用NTY256設計小功率開關電源的步驟如下:首先根據所需較大輸出功率P′OM來選擇合適的芯片,要求芯片較大輸出功率POM>P′OM,保證留有一定余量;然后根據P′OM、u(或VI)、VO等參數設計高頻變壓器;進而確定漏級保護電路和使能端外部電源適配器控制電路的構成;較后選擇輸出電路中的超快恢復二極管或肖特基二極管,要求管子必須能承受開關電源的短路電流。NTY256系列在中等負載或輕載下工作時會跳過一些時鐘周期,這容易使高頻變壓器產生噪聲干擾。為減小此干擾,宜選磁通密度小于0.3T的磁芯材料。 ![]() 在設計印制板時連接輸入濾波、Tiny Switch回路的銅箔面積應盡量小,電源適配器安全電容要直接焊在一次接地端與二次返回端之間。電源適配器連接二次線圈、輸出級整流管和濾波電容的回路面積應盡量小,但整流管焊盤附近的銅箔還要足夠大,以確保電源適配器在輸出短路時能將整流管的熱量及時散發掉。DIP—8封裝的TNY256P芯片是靠銅箔接地并起到散熱作用的。 電源適配器銅箔面積要足夠大,才能散熱良好。
文章轉載自網絡,如有侵權,請聯系刪除。 |
| | 發布時間:2018.07.04 來源:電源適配器廠家 |
| 上一個:TNY256單片開關電源的原理與應用 | 下一個:指定盤符,巧使系統認易驅 |
東莞市玖琪實業有限公司專業生產:電源適配器、充電器、LED驅動電源、車載充電器、開關電源等....