電磁騷擾發射測試常見問題對策及整改措施 |
對于電磁發射測試對策及整改,我們將在下個專題《電子產品 3C 認證檢測中常見電磁兼容問題與對策》中以 AV 和 IT 類產品為例加以詳細探討,在這兒僅進行一些提綱性介紹,不再深入展開探討。
設備開關電源的開關回路:騷擾源主頻幾十 kHz 到百余 kHz,高次諧波可延伸到數十 MHz。 設備直流電源的整流回路:工頻整流噪聲頻率上限可延伸到數百 kHz;高頻整流噪聲頻率上限可延伸到數十 MHz。 電動設備直流電機的電刷噪聲:噪聲頻率上限可延伸到數百 MHz。 電動設備交流電機的運行噪聲:高次諧波可延伸到數十 MHz。 變頻調速電路的騷擾發射:騷擾源頻率從幾十 kHz 到幾十 MHz 設備運行狀態切換的開關噪聲:噪聲頻率上限可延伸到數百 MHz。 智能控制設備的晶振及數字電路電磁騷擾:騷擾源主頻幾十 kHz 到幾十 MHz,高次諧波可延伸到數百 MHz。 微波設備的微波泄漏:騷擾源主頻數 GHz。 電磁感應加熱設備的電磁騷擾發射:騷擾源主頻幾十 kHz,高次諧波可延伸到數十 MHz。 電視電聲接收設備的高頻調諧回路的本振及其諧波:騷擾源主頻數十 MHz 到數百 MHz,高次諧波可延伸到數 GHz。 信息技術設備的及各類自動控制設備數字處理電路:騷擾源主頻數十 MHz 到數百 MHz,高次諧波可延伸到數 GHz。
2.2 騷擾源定位
依據:超標騷擾頻率范圍、超標騷擾頻域分布、窄帶騷擾還是寬帶騷擾等 根據被測設備工作方式和內部結構定位: 有沒有使用標準不建議使用的半波整流和對稱/非對稱電源調整電路? 內部結構中電路板布局是否合理? 內部電纜走線是否合理? 內部濾波器(濾波電路)安裝是否合理? 內部電路接地和搭接方式是否合理? 機箱屏蔽是否滿足對應產品的需求?
設備內部有否二次電源,其工作方式? 設備內是否有驅動電機,電機類型? 設備內是否有變頻調速電路? 設備內是否有數碼控制或智能控制電路?是否使用晶振? 設備內是否存在程控的繼電器或開關電路? 設備正常工作是否利用電磁波或微波? 設備內是否存在工作中的無線收發電路?
若設備的各個模塊可以暫停和恢復工作,可以通過逐個暫停這些模塊的工作來判斷騷擾來源。 若模塊不可以獨立暫停和恢復工作,可以通過與設備其它功能模塊一起組合進行暫停和恢復工作,從而判斷騷擾的大概來源。 若模塊不可以獨立暫停和恢復工作,可以通過與其它設備的合格功能模塊一起組合進行暫停和恢復工作,從而判斷騷擾的大概來源。對懷疑騷擾超標的模塊,可以用置換的方式來進行騷擾判定。
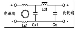
家電類產品連續傳導騷擾標稱測量頻率范圍 148.5kHz-30MH(z 實際為 150kHz-30MH)z。 測量分別在電源端子及負載端子和附加端子上進行。 連續傳導騷擾的主要來源: 開關電源的開關頻率及諧波騷擾、電源整流回路的整流噪聲、 交流電機的運行噪聲、直流電機的電刷噪聲、 電磁感應加熱設備的電磁騷擾、 智能控制設備的晶振及數字電路電磁騷擾等 當我們通過騷擾定位方式找到超標點的騷擾來源后, 即可采用相對應的騷擾抑制措施。 (針對故障定位及傳導騷擾來源分別展開說明) 對一般的電源端連續傳導騷擾可以通過以下的電路加以抑制:
對于負載端子和附加端子的傳導騷擾可以通過以下的電路加以抑制
無論是對電源端子、 負載端子和附加端子采取抑制措施, 若使用獨立的濾波器時, 需注意其安裝方 式。 ![]() 圖 3:濾波器的安裝方法 2.4 電子、電氣產品斷續傳導發射超標問題及對策 家電類產品斷續傳導騷擾標稱測量頻率范圍 148.5kHz-30MH(z 實際為 150kHz-30MH)z。 測量在電源端子上進行,喀嚦聲測量的頻率點為:150kHz、 500kHz、 1.4MHz、 30MHz 斷續傳導騷擾的主要來源: 恒溫控制器具,程序自動的機器和其他電氣控制或操作的器具的開關操作會產生斷續騷擾。 此類操作一般通過繼電器和程控電子/機械開關等實現。 此類騷擾一般由繼電器、開關的觸點抖動及非純阻負載通斷所產生的電涌沖擊形成。 可采用相對應的騷擾抑制措施主要針對以上兩個方面進行。
電子、電氣產品輻射騷擾場強測量頻率范圍 30MHz-1000MH。z 測量一般在開闊場或半電波暗室中進行。 輻射騷擾的主要騷擾來源: 開關電源的開關頻率及諧波騷擾 交流電機的運行噪聲、直流電機的電刷噪聲 電磁感應設備的電磁騷擾 智能控制設備的晶振及數字電路電磁騷擾等 當我們通過騷擾定位方式找到輻射騷擾超標點的騷擾源后,即可采用相對應的騷擾源抑制措施。 (針對故障定位及騷擾來源分別展開說明) 一般來說,首先抑制騷擾源,這可以通過優化電路設計、電路結構和排版,加強濾波和正確的接地來達到。 其次是要切斷耦合途徑,這可以通過正確的機殼屏蔽和傳輸線濾波達到 文章轉載自網絡,如有侵權,請聯系刪除。 |
| | 發布時間:2018.05.28 來源:充電器廠家 |
| 上一個:印制電路板的可靠性設計 | 下一個:諧波電流測試常見問對及整 |
東莞市玖琪實業有限公司專業生產:電源適配器、充電器、LED驅動電源、車載充電器、開關電源等....